大倾角皮带机技术参数

文章来源:admin  人气:  发表时间:2022-02-25 11:12

    一、大倾角皮带机使用的条件

 
    夏季通风室外计算温度:28℃
 
    冬季通风室外计算温度-10℃
 
    冬季采暖室外计算温度-16℃
 
    夏季空调室外计算温度30℃
 
    冬季空调室外计算温度-18℃
 
    夏季通风室外计算相对湿度78%
 
    夏季大气压力101.54kPa
 
    冬季大气压力102.62kPa
 

    二、大倾角皮带机技术参数

 
    2.1能源供应
 
    低压:380/220VAC50Hz
 
    直流电源:220V/24VDC
 
    2.2工艺条件
 
    运输物料:无烟煤、焦炭、或者二者的混合料
 
    进料粒度:<10mm。
 
    堆比重:无烟煤1.0t/m3;焦炭0.5t/m3
 
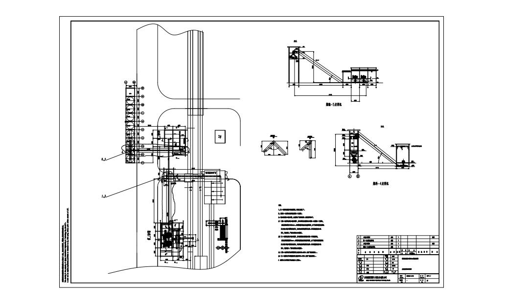
    2.3燃粗-5大倾角皮带机技术要求
 
    带速:1.6m/s(建议值,厂家可以优化)
 
    带宽:1000mm(建议值,厂家可以优化)
 
    水平投影长度:51740mm
 
    倾角:35°
 
    运输量:≥300m3/h
 
    运转时间:间歇作业
 
    长度:见附图
 
    2.4燃-4大倾角皮带机技术要求
 
    带速:1.6m/s(建议值,厂家可以优化)
 
    带宽:800mm(建议值,厂家可以优化)
 
    水平投影长度:35685mm
 
    倾角:38.7°
 
    运输量:≥130m3/h
 
    运转时间:间歇作业
 
    长度:见附图
 
大倾角皮带机技术参数
 
    2.5其他技术要求
 
    皮带两侧考虑防护,避免物料向皮带两侧滚落;皮带机两侧中间架上设计安装活动安全护栏。
 
    头轮配套落料漏斗,尾轮设置护罩;
 
    头、尾轮各设置一套防跑偏装置;
 
    头尾轮各设置一套拉绳开关;
 
    建议设备采用尾部螺旋拉紧装置,满足长期皮带运行要求;
 
    驱动装置配套逆止器
 
    皮带受料点设置导料槽。
 
    以上为设备供货的基本技术要求,皮带机选型其他技术要求满足《DTⅡA型带式输送机设计手册》要求。

标签: 皮带机

更多>>

推荐文章

2025-01-16输送带跑偏严重的综合判断标准

2025-01-16输送带跑偏严重性的界定

2025-01-14带式输送机输送带抖动严重的判断依据抖动幅度与频率

2025-01-14带式输送机轴承座损坏的检查方法外观与振动分析检查法

2025-01-14带式输送机输送带强度不足解决方案

2025-01-14外观检查法识别带式输送机输送带边缘磨损

2025-01-13观察法判断带式输送机托辊支架歪斜

2025-01-13带式输送机滚筒粘料预防措施

2025-01-13带式输送机输送带老化外观判断

2025-01-13带式输送机张紧装置故障初步观察

Copyright © 2019-2024 山西浩业通用设备有限公司 版权所有 网站地图

QQ咨询

微信咨询

加微信,获取报价
返回顶部
粤B2-20****59-1 =============