改向滚筒

【产品特点】
改向滚筒是改变输送带运行方向的滚筒。用于180改向时在尾部或垂直拉紧装置处。用于90改向时放在垂直拉紧装置的上方。增面滚筒一般用于小于或等于45的场合。增面滚筒是增加输送带...
联系客服索取报价或邀请投标
详细介绍
    改向滚筒是更改输送皮带运作方位的滚筒。用以180°改向时在尾端或竖直绷紧装置处。用以90°改向时放到竖直绷紧装置的上边。增面滚筒一般用以低于或相当于45°的场所。增面滚筒是提升输送皮带与传动滚筒间的围包角的改向滚筒。
 
    改向滚筒按承载力分轻形、中小型和超重型;分直徑50~100mm,120~180mm及200~260mm,构造形式与传动滚筒一致。
 
    改向滚筒覆面有外露光钢面和光滑胶面二种。
 

    关于价格

 
    具体产品价格要根据设备的具体型号、数量及其他要求进行细致的报价。请与我们的客服电话联系,我们是源头工厂,如无特殊要求报价均为出厂价格,不含运费。

    产品结构图

改向滚筒结构图
 

    改向滚筒的机构

    改向滚筒关键在传动带健身运动的正下方,如传动带运输方位为左,那麼改向滚筒在皮带输送机的右边,关键构造为滚动轴承和钢筒,传动滚筒是皮带输送机的主动轮,从二者相互关系而言就如同单车2个车轱辘,后胎就是说传动滚筒,前胎是改向滚筒;改向滚筒和传动滚筒结构类型是沒有差别的,全是由主轴轴承滚筒滚动轴承及滚动轴承室构成传动滚筒分主传动系统和从动二种。

    产品特点

 
    本企业生产制造的改向滚筒具备构造平稳,不管尺寸均选用国家标准设计方案生产制造。改向滚筒的滚动轴承瓦架选用哈瓦洛滚动轴承瓦架。设计标准,保质保量。
 
    本企业长期性专业生产制造各种各样滚筒,改向滚筒。长期批發改向滚筒。改向滚筒具备结构紧凑、重量较轻、占有少、特性靠谱、外观美观大方、应用安全性便捷、在烟尘大、湿冷泥宁等极端标准下仍能一切正常工作中的特性。
 

    关于包胶滚筒

 
    包胶滚筒是传动带运输运输设备中关键构件和构成。滚筒的包胶能合理改进运输系统软件的运行情况,维护金属材料滚筒不被损坏,避免输送皮带的跑偏,使滚筒与传动带同歩运行,进而确保传动带高效率的、大运输量的运行。滚筒的包胶还能合理的避免滚筒与传动带中间的滚动摩擦,降低滚筒表层的原材料粘接,进而减少传动带的方向跑偏和损坏普遍用以:钢材、冶金工业、煤碳、混凝土、发电量、有机肥、粮仓、海港等制造行业。
 
包胶滚筒
 
    包胶材料
 
    可采用天然橡胶,丁腈橡胶,氯丁橡胶,三元乙丙橡胶,聚氨酯等。
 

    规格型号

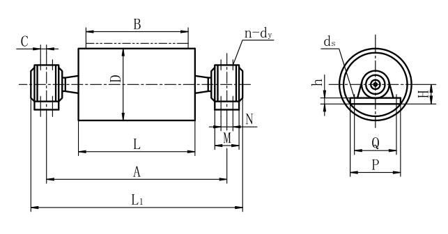
改向滚筒规格型号
 
    为什么要对皮带机输送滚筒做防磨
 
    1、扩大驱动器滚筒与带式输送机中间的滑动摩擦力;
 
    2、能够合理的改进带式输送机的运行情况。为了避免带式输送机的跑偏状况.维护金属材料滚简和硫化橡胶胶布不被损坏,使滚筒与胶布同歩运行.进而确保带式输送机的高效率、很多的运行;
 
    3、另外也将会降低驱动器滚筒表层的原材料粘接.进而降低胶布的方向跑偏和损坏。
 
    传动滚筒与改向滚筒的构造和作用大不一样。
 
    传动滚筒分主传动系统和从动二种。主传动滚筒有二种方式,一种是外装式滚筒,就是说电动机推动减速器再推动滚筒,一种是内窗式电动式滚筒,说白了就是说包含电动机、降速装置等机械设备预制构件都会滚筒內部。
 
    传动滚筒务必与配套设施的电动机、减速器应用才可驱动器皮带运输机,起传动系统功效;改向滚筒也叫导向性滚筒,传动滚筒结构类型是沒有差别的全是由主轴轴承滚筒滚动轴承及滚动轴承室构成,改向滚筒一般在皮带输送机的尾端,输送皮带在这里更改健身运动方位。

标签:

更多>>

推荐产品

2024-05-23可伸缩皮带输送机-可伸缩皮带机-可伸缩输送机厂家

2024-05-23DTL带式输送机-带式输送机-DTL输送机厂家

2024-05-07可伸缩带式输送机-可伸缩皮带机-DSJ伸缩输送机厂家

2024-05-07大倾角带式输送机-大倾角皮带输送机

2024-05-07矿用皮带机-矿山皮带机-煤矿皮带机厂家

2024-04-26皮带输送机防雨罩_带式输送机彩钢防雨罩

2022-02-15DTII(A)型带式输送机厂家直销/价格

2022-02-14DY移动式皮带输送机厂家直销/价格

2021-04-21平行托辊厂家直销/价格

2021-04-21槽型托辊厂家直销/价格

Copyright © 2019-2024 山西浩业通用设备有限公司 版权所有 网站地图

QQ咨询

微信咨询

加微信,获取报价
返回顶部
粤B2-20****59-1 =============